邮箱登陆 设为首页 加入收藏
   
  
销售热线
0515-85569999 85969758 85968828
网站首页 公司简介 办公场景 新闻动态 产品中心 工程业绩 资质荣誉 在线反馈 联系我们
产品中心
    风机设备类
    环保设备类
    节能设备类
江苏宝泰机械制造有限公司
地址:江苏省东台市安丰镇西工业园区
联系电话:0515-85569999 85969758 85968828
联系传真:0515-85561940 85568868 QQ:1040047592
24小时热线:13905111940
售后服务热线:13805111940 18912511999
详细
 
产品名称:混流风机-SWF(HL3-2A)型混流式风机
    详细介绍

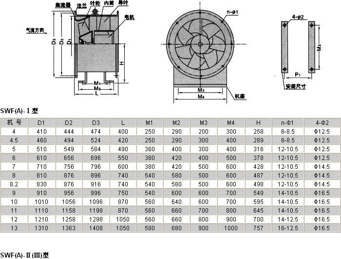
SWF(A)-I/II/III型混流风机
 
机号:3#-13# 风量:3000-95420m3/h 全压:143-11200Pa
 
特点:锥形轮毂、扭曲叶片、进风口带集流器、压力高、风量大、效率高、结构紧凑、噪音低、体积小,配用双速电机,可通过变速来调整风量、风压
 
应用:宾馆、饭店、商场、写字楼、体育馆等高级民用建筑的通排风、管道加压送风及工矿企业的通风换气场所


SWF(B)-I/II型混流风机(HL3-2A)
 
机号:2.5#-13.5#风量:444-79704m3/h 全压;44-2212Pa
 
特点:锥形轮毂、进风口带集流及弧形消声器、压力高、风量大、效率高、噪音低、体积小、配用双速电机,可通过变速来调整风量、风压
 
应用:宾馆、饭店、商场、写字楼、体育馆等高级民用建筑的通排风、管道加压送风及工矿企业的通风换气场所












上一个产品:YDF型喷流诱导风机 下一个产品:GXF(SJG)型斜流式风机
地址:江苏省东台市安丰镇西工业园区 邮编:224200 电话:0515-85569999 85969758 85968828 传真:0515-85561940 85568868 QQ:1040047592  邮箱:boss@jsbtfj.com
CopyRight © www.jsbtfj.com 江苏宝泰机械制造有限公司 .All Rights Reserved 备案号:苏ICP备13095280号
aa

客户服务热线

0515-85569999 85969758 85968828

在线客服