邮箱登陆 设为首页 加入收藏
   
  
销售热线
0515-85569999 85969758 85968828
网站首页 公司简介 办公场景 新闻动态 产品中心 工程业绩 资质荣誉 在线反馈 联系我们
产品中心
    风机设备类
    环保设备类
    节能设备类
江苏宝泰机械制造有限公司
地址:江苏省东台市安丰镇西工业园区
联系电话:0515-85569999 85969758 85968828
联系传真:0515-85561940 85568868 QQ:1040047592
24小时热线:13905111940
售后服务热线:13805111940 18912511999
详细
 
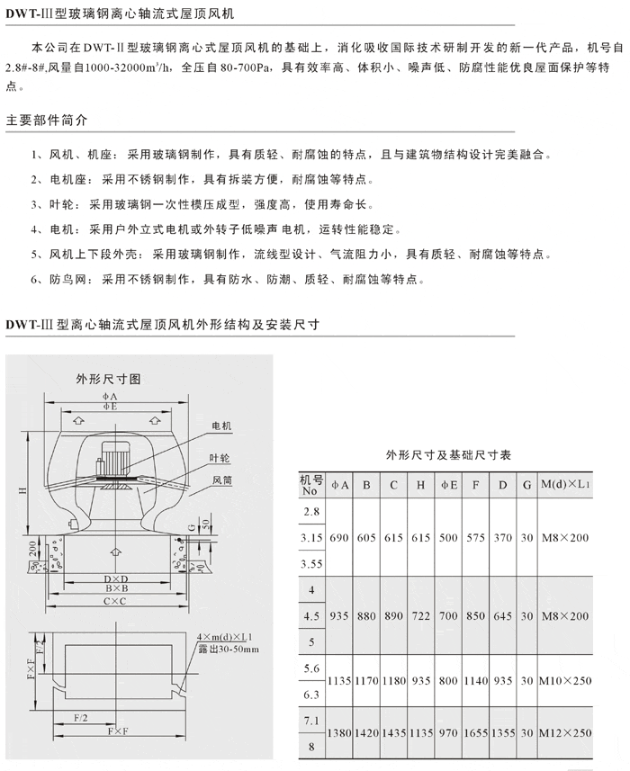
产品名称:DWT系列屋顶通风机
    详细介绍







上一个产品:BDW-87-4型玻璃钢离心式屋顶风机 下一个产品:FZ40、FZ35、FZ50纺织轴流风机
地址:江苏省东台市安丰镇西工业园区 邮编:224200 电话:0515-85569999 85969758 85968828 传真:0515-85561940 85568868 QQ:1040047592  邮箱:boss@jsbtfj.com
CopyRight © www.jsbtfj.com 江苏宝泰机械制造有限公司 .All Rights Reserved 备案号:苏ICP备13095280号
aa

客户服务热线

0515-85569999 85969758 85968828

在线客服